CETOP 8 NG25 Manifolds – Monoblock Subplates
Technical Data:
- Monoblock Subplates sizes: Cetop 7 / NG16
- Max. Working pressure: up to 350 bar.
- Material: Cast Iron / Steel body
- All subplates phosphate coated according to UNI ISO 9717 norm
Product information of EuroFluid Cetop 8 NG25 Monoblock Manifolds:
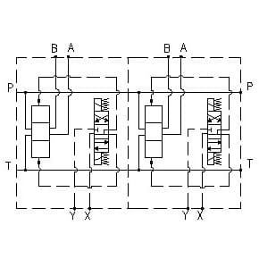
| Manifold Type | Hydraulic Symbol | Description | Number of Elements | Data Sheet |
|---|---|---|---|---|
| EM208/Y | ![]() | Parallel connection with Ports A-B on Side 1 1/4", P – 1 1/4”, T – 1 1/2", without pressure relief valve (RV) | 1 - 4 | EM208/Y.pdf |


