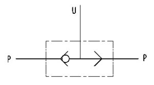
VU2P – Load Shuttle Valves
| Symbol | Code | Max. Flow (L/min.) | Max. Pressure (bar) | Port Sizes |
|---|---|---|---|---|
![]() | VU2P 1/4" / V0666 | 30 | 450 | 1/4" BSPP |
| VU2P 3/8" / V0668 | 45 | 450 | 3/8" BSPP | |
| VU2P 1/2" / V0670 | 70 | 450 | 1/2" BSPP | |
| VU2P 3/4" / V0680 | 110 | 350 | 3/4" BSPP | |
| VU2P 1" / V0685 | 150 | 350 | 1" BSPP |

